
Принцип работы листогибочной машины ИБ2212 заключается в свободной гибке листа, помещенного между верхним и боковым валками. Конец листа заводиться до упоров, расположенных на заднем валке, ориентируя кромки листа параллельно образующей валка. Затем, перемещая боковые валки вверх, лист прогибают, вследствие чего участок листа под верхним валком получает пластическую деформацию изгиба. При вращении валков за счет сил трения между валками и изгибаемым листом, последний движется в направлении вращения валков, одновременно контактируя с роликом механизма автоматического останова и реверсирования валков. При выходе кромки листа с ролика автоматического останова, происходит отключение привода листогибочной машины ИБ2212 с включением реверса вращения валков, тем самым заготовка перемещается в обратном направлении. При проходе через зону деформации участки листа получают последовательную, равномерную по длине, остаточную кривизну. Различная установка боковых валков по отношению к верхнему валку обеспечивает изменение радиуса гибки. Гибка листа на малые радиусы ограничивается силой сцепления приводимых валков с изгибаемым листом, и производиться на несколько последовательных пропусков (проходов).
Управление листогибом ИБ2212 осуществляется с общего пульта управления.
ИБ2212 предназначена для гибки цилиндрических и конических заготовок из листового материала в холодном состоянии, а также для гибки сортового проката. Применяются в авто-, судо-, и приборостроении, сельскохозяйственном машиностроении и других отраслях народного хозяйства.
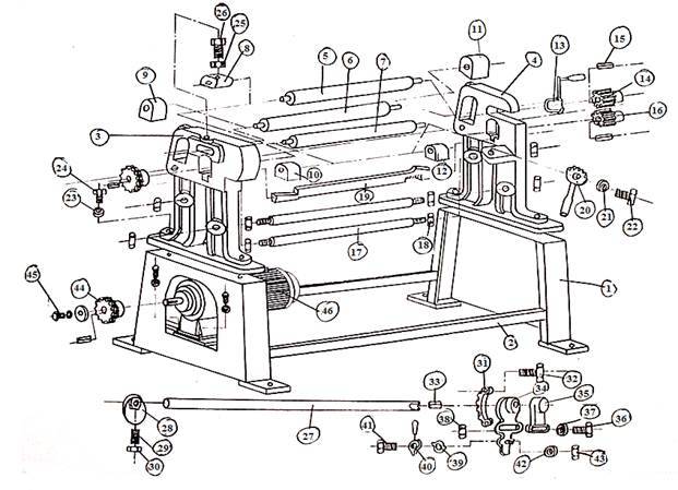
Установка и транспортировка ИБ2212:Транспортировка листогибочной машины (вальцев) ИБ2212 осуществляется зачаливанием с помощью тросов. Она предполагает строгое следование схеме. Бочка верхнего валка, ограничивая перемещение тросов, обеспечивает надежность их фиксации. Длина тросов может быть равной (с целью размещения центра тяжести на одной оси с крюком), что обеспечивает устойчивое горизонтальное положение ИБ2212 при транспортировке.
Транспортирование вальцев ИБ2212:
Установлению листогибочной машины ИБ2212 на фундамент должна предшествовать ее расконсервация. Для этого деревянной лопаточкой необходимо тщательно очистить обработанные поверхности от антикоррозийных покрытий, их остатки удаляются чистыми салфетками, смоченными бензином или бензин - растворителем.
Во избежание коррозии валки покрывают тонким слоем масла «Индустриальное И-50А» ГОСТ 20799-75.
Далее листогиб ИБ2212 следует установить на фундамент. Точность работы вальцев ИБ2212 зависит от правильности установки, поэтому положение листогибочной машины выверяется в двух плоскостях при помощи уровней в левой и правой частях его поверхности с учетом максимального отклонения 0,5/1000 мм.
Порядок регулировки параллельности валков ИБ221:С целью обеспечения необходимого скольжения материала между валками окалину с листовых заготовок перед гибкой необходимо обязательно удалить, а сам материал должен иметь постоянную твердость по всей его длине
Работа на машине листогибочной ИБ2212 производиться в следующем порядке:Так как подгибка кромок листа осуществляется по ассиметричной схеме, возникают большие радикальные усилия, чем при симметричной схеме. По этой причине на вальцах ИБ2212 возможна подгибка кромок меньшей толщины.
Способы подгибки:
Для гибки конических обечаек верхний валок устанавливают под углом к горизонту. Угол и величина перемещения опоры верхнего валка ∆hлев. получается из ниже приведенных соотношений между углом конуса и необходимыми радиусами гибки
Определение величины наклона верхнего валка листогиба ИБ2212
λ – угол конуса
Д– максимальный диаметр конуса
d – минимальный диаметр конуса
L – длина образующей конуса
Smax,Smin– максимальный и минимальный радиус изгиба
hmax,hmin – максимальное и минимальное расстояние верхнего валка до плоскости боковых волков
∆h – радиус расстояние между валками
ε – угол наклона верхнего валка
L1 – расстояние между опорами верхнего валка
Дв – диаметр верхнего валка
Дб – диаметр боковых валков
*)L1 ИБ2216=2570мм;
Установка верхнего валка ИБ2212 в положение для гибки конических обечаек:Возврат валка в горизонтальное положение производится в обратной последовательности. При гибке конических обечаек на вальцах ИБ2212 лист устанавливается с максимальным прилеганием вогнутой кромки меньшего диаметра заготовки усеченного конуса к упору приспособления для гибки конических обечаек.
ВНИМАНИЕ!
| Наибольшая толщина изгибаемого листа при гибке из материала с пределом текучести Qт=245 МПа, мм | 1,5 |
| Диаметр верхнего валка, мм | 75 |
| Наибольшая ширина изгибаемого листа, мм | 1550 |
| Мощность электродвигателя, кВт | 1,1 |
| Длина, мм | 2110 |
| Ширина, мм | 700 |
| Высота, мм | 1160 |
| Масса, кг | 420 |
Доставка оборудования осуществляется по всей территории РФ транспортными компаниями, согласованными с заказчиком.
Осуществляем доставку в города: Боровичи, Челябинск, Пермь, Тюмень, Ижевск, Уфа, Магнитогорск, Сургут, Новосибирск, Астана, Самара, Саратов, Казань, Оренбург, Сочи, Краснодар, Ханты-Мансийск, Владивосток, Актобе, Нижний Новгород, Владивосток, Нижневартовск, Киров, Кузнецк, Рязань, Владимир, Омск, Юрюзань, Аша, Орск, Миасс, Нижний Тагил, Нальчик, Махачкала, Санкт-Петербург, Ростов-на-Дону, Хабаровск, Курган, Сахалин, Магадан, Чита и в многие другие.
+7(343) 278-66-38
+7(343) 278-66-39
+7(343) 344-0-344
+7(343) 270-26-26
+7(343) 344-00-11
| Модель | Производитель |
|---|---|
| Вальцы ИБ2213 | |
| Вальцы ИБ2216 | |
| Вальцы ИБ2220 | |
| Вальцы ИБ2222 | |
| Вальцы ИБ2224 | |
| Трубогиб ИБ-3428 | |
| Вальцы ИБ2223 |
Обращаем ваше внимание на в интернет-магазине компании с доставкой в и по другим регионам России.
WoodTec популярны в профессиональных кругах, по той простой причине, что обладают прекрасными характеристиками в соотношении цена/качество и при этом выгодно отличаются долгим сроком службы и крайне простой эксплуатацией.
Также, помимо WoodTec, в нашем онлайн каталоге имеется более 11 товарных позиций от других известных торговых марок.
Если вдруг вы столкнулись с трудностями в выборе необходимого вам оборудования непосредственно под вашу специфику, наши специалисты всегда готовы помочь вам.
Звоните или оставляйте заявку, и мы обязательно поможем с лучшим решением конкретно под вас.
Доставка заказов осуществляется практически во все регионы РФ. Отгрузка в обычно выполняется в рабочие дни, 1-2 раза на неделе.
Мы являемся не просто интернет-магазином, где единственным способом работы является продажа оборудования.
Наша компания имеет собственный штат технических специалистов и инженеров сервисной службы. Все сотрудники на постоянной основе улучшают квалификацию, чтобы соответствовать новым стандартам обслуживания.
Кроме прочего, мы располагаем всеми необходимыми запчастями, потребность в которых может возникнуть в процессе технического обслуживания или работ по ремонту, что также бесспортно является преимуществом.
Основной нашей и вашей, как нам кажется, задачей, является не только непосредственная покупка/продажа оборудования, но, в большей степени, и его дальнейшее бесперебойное функционирование.
Указанные цены не являются публичной офертой.
Просим актуальность наличия и стоимость товара уточнять у менеджера компании.
Оставьте заявку на бесплатную консультацию
Оставьте ваши контактные данные и наш менеджер свяжется с вами в ближайшее время, чтобы сделать вам индивидуальное предложение.
Оставьте ваши контактные данные и наш менеджер свяжется с вами в ближайшее время, чтобы рассчитать стоимость доставки вашего заказа.
Снизим цену!
Если у конкурента цена ниже — вернем разницу! Оставьте ваши контактные данные и наш менеджер свяжется с вами в ближайшее время.